Wpisz kilka słów, aby znaleźć treść eg:
fuse,arrestor,00110115 technical...
Najnowsze wyszukiwania
Skontaktuj się z nami

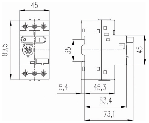
Wyłącznik silnikowy MS18-6,3A 004600348

Specyfikacje

Numer katalogowy:
004600348
Opis:
MS18-6,3A
Opis:
Wyłącznik silnikowy
Zakres nastawy prądu (A):
4A/6.3A
Prąd zadziałania wyzwalacza Irm (A):
75A
Moc AC3 (kW):
2.2kW/2.5kW
Grupa katalogowa:
MS
Maksymalne znamionowe napięcie robocze (V AC):
690V

Dokumenty

Produkt

Waga produktu
0.28  kg
Taryfa celna
85365019  

Opakowanie podstawowe

Ilość
1  
EAN
3838895575757  
Waga
0.28  kg

Opakowanie transportowe

Ilość
50  
EAN
3838895575764  
Waga
14  kg
Ilość na palecie
2850  
Klasyfikacja
EC000074
Opis
Wyłącznik silnikowy
Zakres nastawy wyzwalacza przeciążeniowego
4…6.3A
Zakres nastawy wyzwalacza zwarciowego
75…75A
Czułość na zanik fazy
Tak
Sposób wyzwalania
Termomagnetyczny
Znamionowe napięcie pracy
230…690V
Znamionowy prąd ciągły Iu
6,3A
Znamionowa moc pracy dla AC-3, 230 V
2,2/2,5kW
Znamionowa moc pracy dla AC-3, 400 V
2,2/2,5kW
Rodzaj podłączenia styków głównych
Zacisk ramowy
Budowa urządzenia
Urządzenie mocowane na stałe
Ze zintegrowanym stykiem pomocniczym
Nie
Ze zintegrowanym wyzwalaczem podnapięciowym
Nie
Liczba biegunów
3
Znamionowa zwarciowa zdolność łączeniowa Icu przy 400 V, AC
50kA
Stopień ochrony (IP)
IP20
Klasyfikacja ETIM - wersja 7.0

Obrazy i schematy

Akcesoria 21

>
>
0
Twój koszyk jest pusty.