Stycznik powietrzny CEM32.01-24V-50/60Hz 004646110
Specyfikacje
- Numer katalogowy:
- 004646110
- Opis:
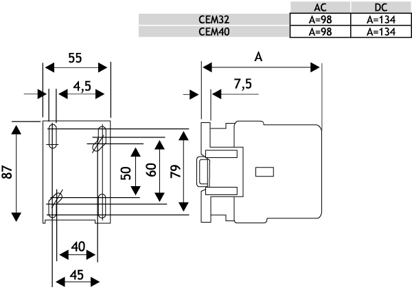
- CEM32.01-24V-50/60Hz
- Opis:
- Stycznik powietrzny
- Funkcja:
- Stycznik silnikowy
- Prąd Ie (AC1) (A):
- 60A
- Prąd Ie dla AC3, 400V (A):
- 32A
- Znamionowe napięcie robocze (V AC):
- 690V
- Znamionowe napięcie obwodu sterującego Uc (V AC):
- 24V
- Ilość biegunów:
- 3
- Ilość styków pomocniczych NC:
- 1
Dokumenty
Dane logistyczne
Produkt
- Waga produktu
- 0.52 kg
- Taryfa celna
- 85364900
- logis_net_width
- 55 mm
- logis_net_height
- 90 mm
- logis_net_depth
- 99 mm
Opakowanie transportowe
- Ilość
- 1
- EAN
- 7890355108437
- Waga
- 0.615 kg
- Ilość na palecie
- 1538
Klasyfikacja ETIM
- Klasyfikacja
- EC000066
- Opis
- Stycznik AC
- Znamionowe napięcie sterowania Us dla AC 50 Hz
- 24…24V
- Znamionowe napięcie sterowania Us dla AC 60 Hz
- 24…24V
- Znamionowe napięcie sterowania Us dla DC
- 24…24V
- Rodzaj napięcia sterowania
- AC
- Znamionowy prąd pracy Ie dla AC-1, 400 V
- 60A
- Znamionowy prąd pracy Ie dla AC-3, 400 V
- 32A
- Znamionowa moc pracy dla AC-3, 400 V
- 15kW
- Wersja modułowa
- Nie
- Liczba styków pomocniczych rozwiernych
- 1
- Rodzaj podłączenia styków głównych
- Zacisk ramowy
- Liczba styków głównych zwiernych
- 3
CEM32.01-24V-50/60Hz