Wpisz kilka słów, aby znaleźć treść eg:
fuse,arrestor,00110115 technical...
Najnowsze wyszukiwania
Skontaktuj się z nami

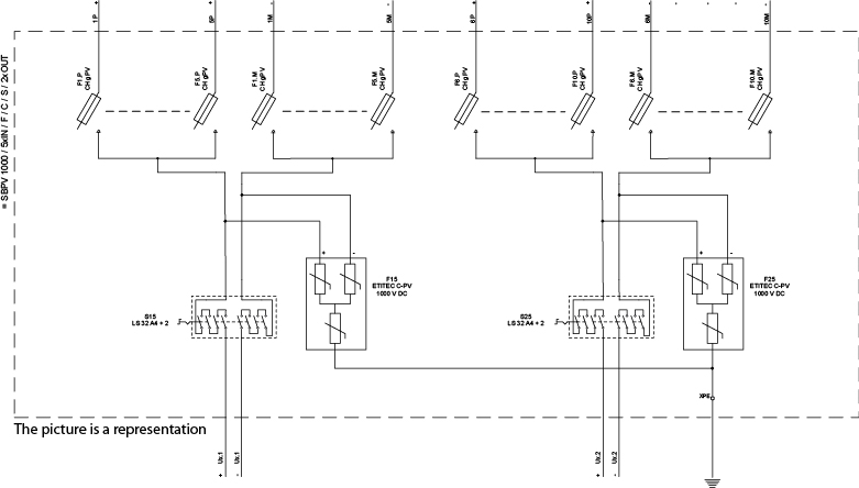
Rozdzielnica wyposażona SBPV 1000/2xIN/F/B/S/2xOUT 001110017

Specyfikacje

Numer katalogowy:
001110017
Opis:
SBPV 1000/2xIN/F/B/S/2xOUT
Opis:
Rozdzielnica wyposażona

Dokumenty

Produkt

Waga produktu
4.5  kg
Taryfa celna
85371095  
Klasyfikacja
EC000214
Opis
Szafka rozdzielcza
Sposób montażu
Montaż natynkowy
Wysokość
360mm
Szerokość
540mm
Głębokość
170mm
Numer RAL
7035
Stopień ochrony (IP)
IP66
Klasyfikacja ETIM - wersja 7.0

Obrazy i schematy

Twój koszyk jest pusty.